设为主页 | 加为收藏 | 联系我们

搜索
主页导航 公司简介 新闻中心 产品展示 生产实力 工程业绩 在线留言 联系方式 企业邮箱
 
热交换器
表冷器
翅片冷凝器
散热器
翅片管
电机冷却器
加热器
空冷器
冷却器
热管换热器
油冷却器
 
地址:无锡市滨湖区雪浪街道吴塘社区
电话:0510-85184250
传真:0510-85181659
联系人:潘红才
手机:13306194543
网址:www.hsxhrq.com
E-mail:sales@hsxhrq.com
 
UⅡ型散热器
UⅡ型散热器
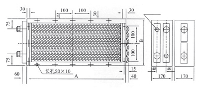
  uⅡ型是一种既适用于蒸汽加热系统,又适用于热水加热系统的散热排管,其进出水接头都在同一侧,进出水排管足用u型弯头连接,这样,适应了安装上的某些特殊要求,即散热排管的一端必需靠墙或者有其它障碍物等。翅片管均用Ф16×1mm紫铜管绕制上10 x 0.2 mm的皱折紫铜带而成,呈螺旃状,具有3.2mm- “R”,4.2mm-“M”,6.5mm-“T”三种不同的片距,“R”种片距,片距小而散热面积人具有的散热量;“M”种片距,片距较大,散热量及空气阻力均较小;“T”种片距,片距,经久耐用,安装方便,经济合算。
UⅡ型编号方法为:
型号--排数(片距代号)3.2--表面管数--表面管长(英寸)。
如采用两排,片距为3.2mm,表面管数为21,管长为60英寸,则为UⅡ--2(R)--21--60。
上一页:SRZ型散热器
下一页:GL Ⅱ型散热器
    
Copyright ◎ 2012 无锡宏思新换热设备有限公司 All reserved.
地址:无锡市滨湖区雪浪街道吴塘社区 电话:0510-85184250 传真:0510-85181659 
网址:www.hsxhrq.com E-mail:sales@hsxhrq.com
 
苏ICP备12040217号-1